AMES Basic Training Manual for Standard Typewriters
By: Murray Harris
January, 1968
Adler Standard Typewriter Repair

Base Cover Plates

Carriage Cover Plates

Carriage

Ring and Cylinder

Platen

Paper Feed

Variable

Line Spacer

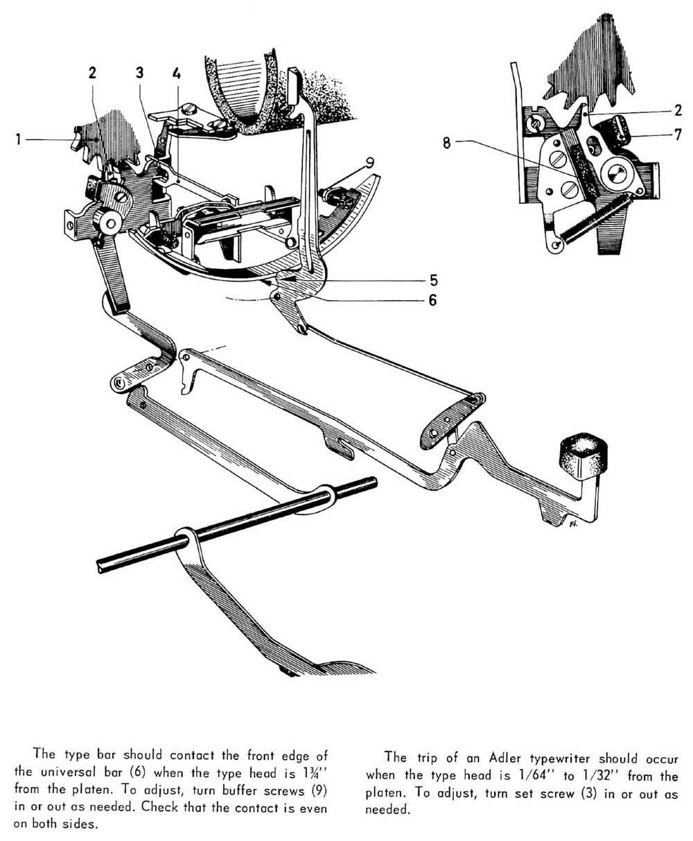
Universal Bar and Trip

Escapement

Space Bar

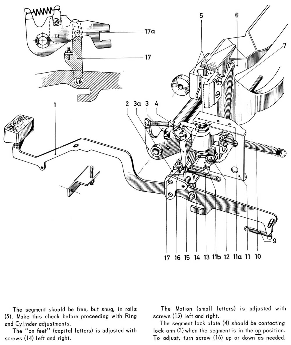
On Feet and Motion

Ribbon Feed

Bichrome

Tabulator Rack

Tabulator

Backspacer

Tools
