AMES Basic Training Manual for Standard Typewriters
By: Murray Harris
January, 1968
Hermes Standard Typewriter Repair

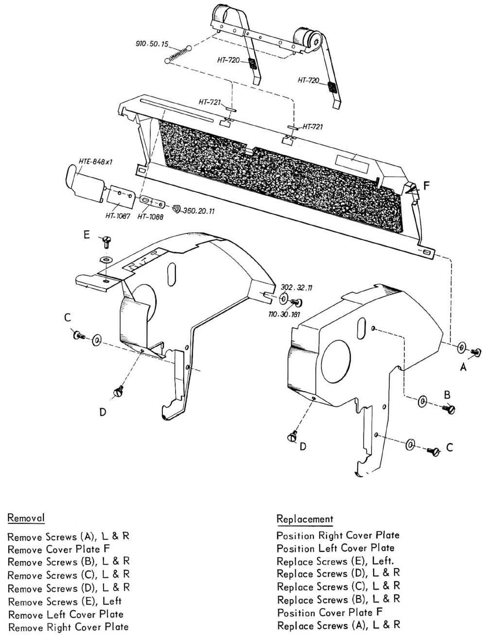
Cover Plates


Carriage Cover Plates

Carriage

Platen

Line Spacer

Paper Feed

Margins

Mainspring Tension

Ring and Cylinder

Escapement

Universal Bar and Trip

Space Bar

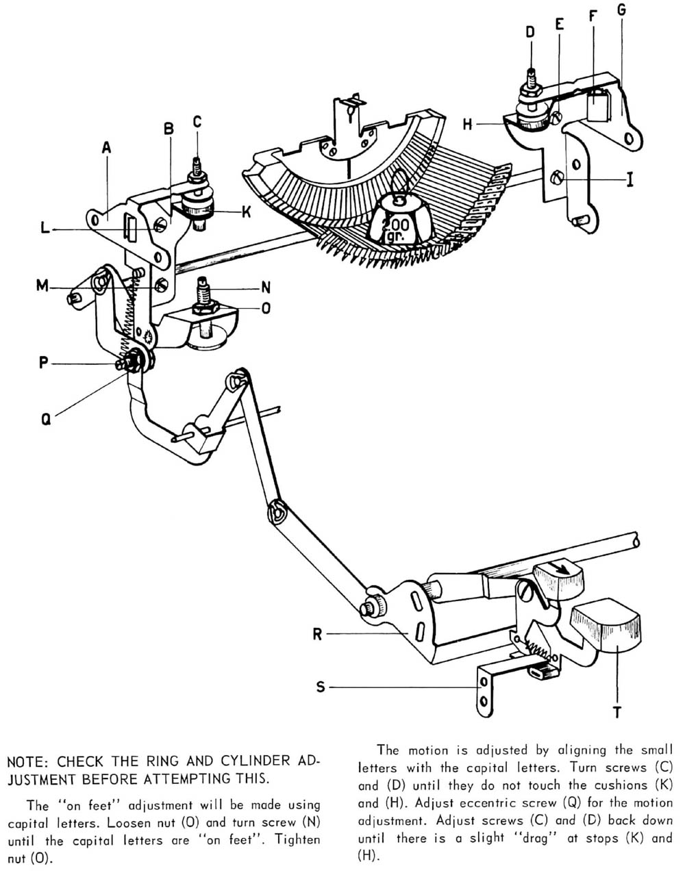
On Feet and Motion

Ribbon Feed and Reverse

Bichrome

Tabulator

Backspacer
