AMES Basic Training Manual for Standard Typewriters
By: Murray Harris
January, 1968
Olympia Standard Typewriter Repair

Type Bars & Covers

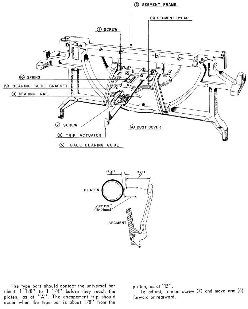
Carriage

Line Spacing

Paper Injector

Margins

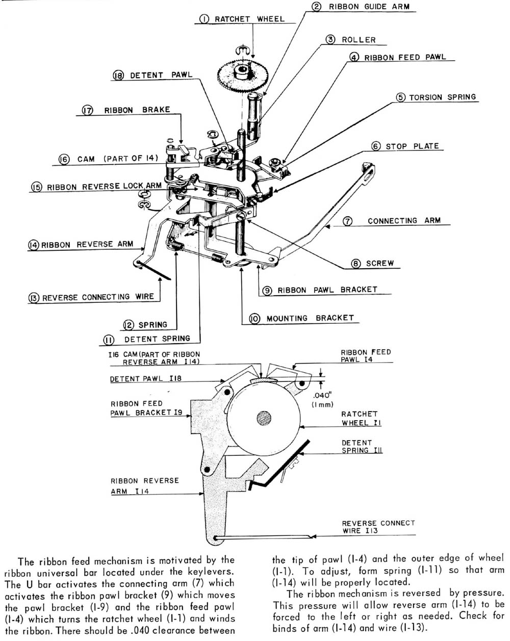
Ribbon Feed

Bichrome

Escapement

Master Trip

On Feet and Motion

Tabulator

Chart
