AMES Basic Training Manual for Standard Typewriters
By: Murray Harris
January, 1968
Underwood Standard Typewriter Repair

Cover Plates


Carriage Cover Plates


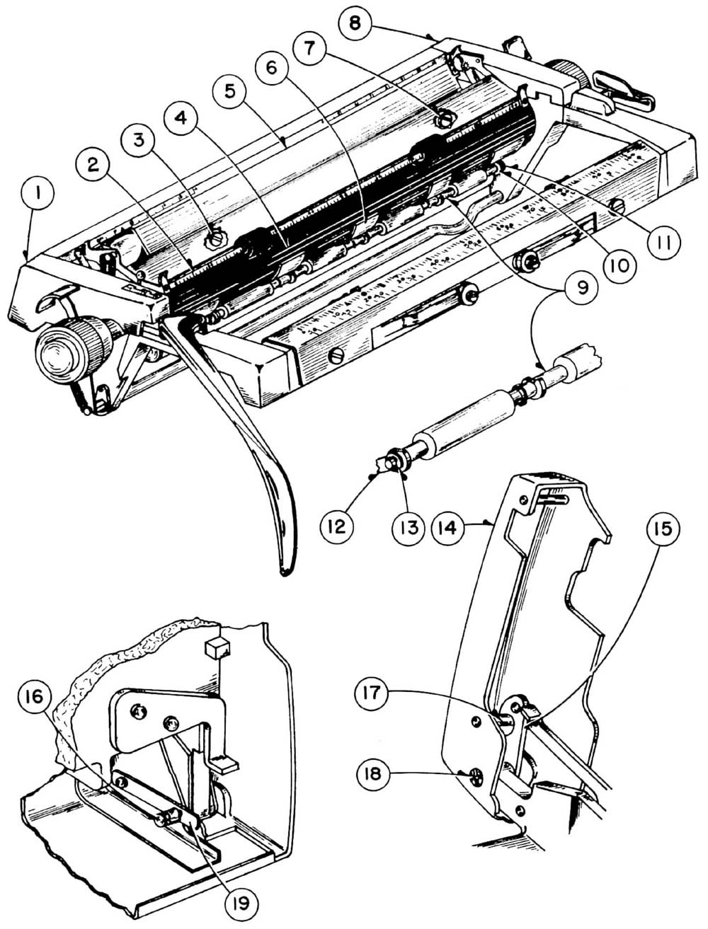
Carriage

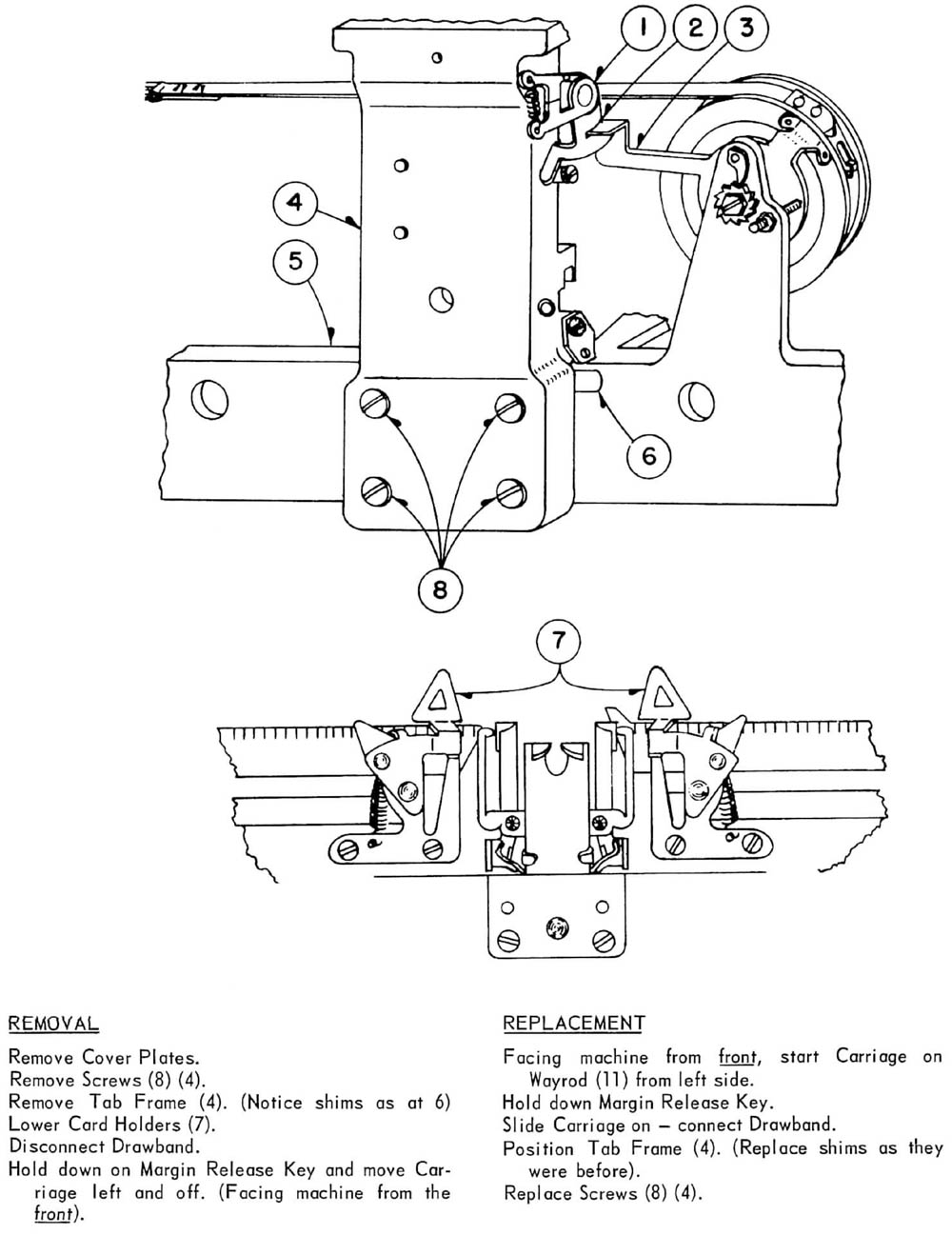
Carriage Adjustment

Front Carriage Rail

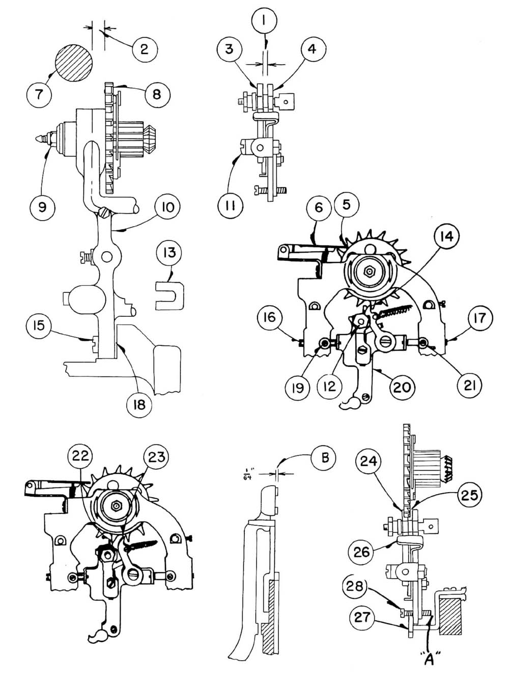
Rack

Line Space Lever

Variable

Mainspring

Platen

Feed Rolls

Universal Bar

Escapement


Space Bar


Segment


Ring and Cylinder - On Feet


Motion



Bichrome

Ribbon Spool Shafts


Ribbon Feed and Reverse


Tabulator Set and Clear

Tabulator

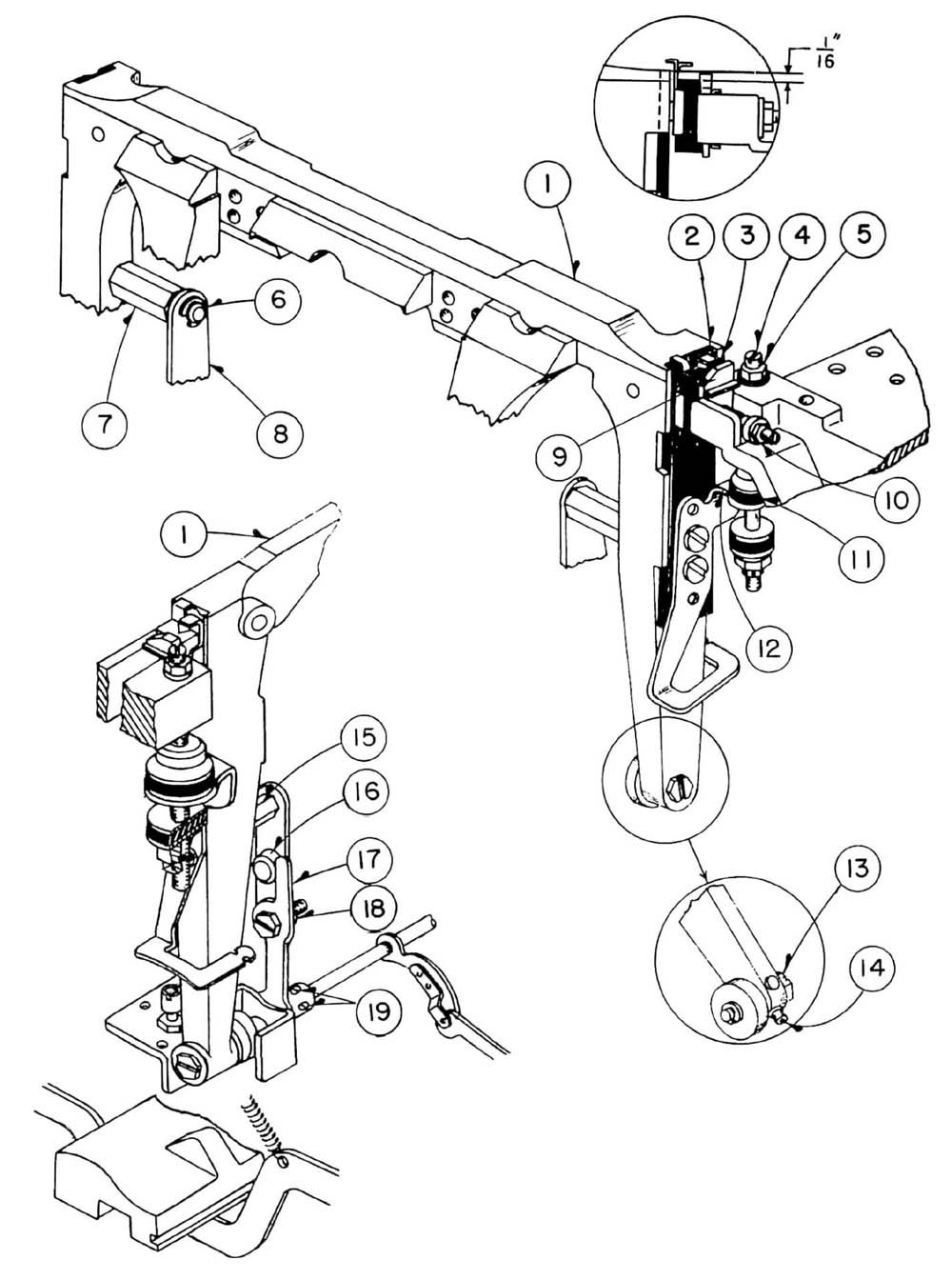
Left Margin

Right Margin

Backspacer

Tools
