AMES OAMI Mechanical Training Manual for Standard and Portable Typewriters
By: Clarence Leroy Jones
In 3 Volumes plus Addendum - Published 1945
AMES OAMI Mechanical Training Manual for Standard Typewriter Repair
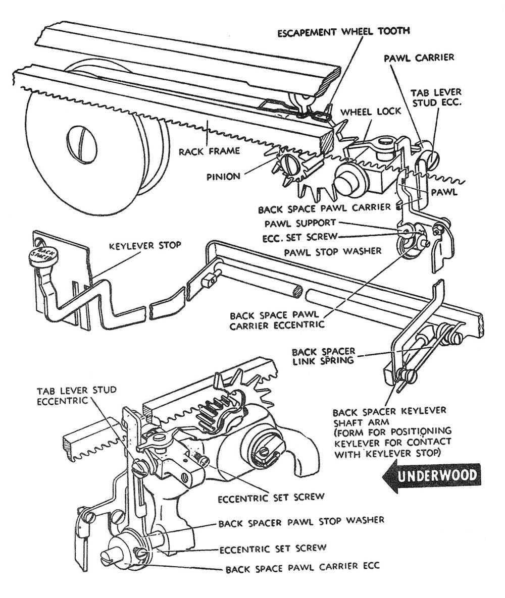
Backspacer
Remington

Royal

Underwood


Woodstock

L.C. Smith
