AMES OAMI Mechanical Training Manual for Standard and Portable Typewriters
By: Clarence Leroy Jones
In 3 Volumes plus Addendum - Published 1945
AMES OAMI Mechanical Training Manual for Standard Typewriter Repair
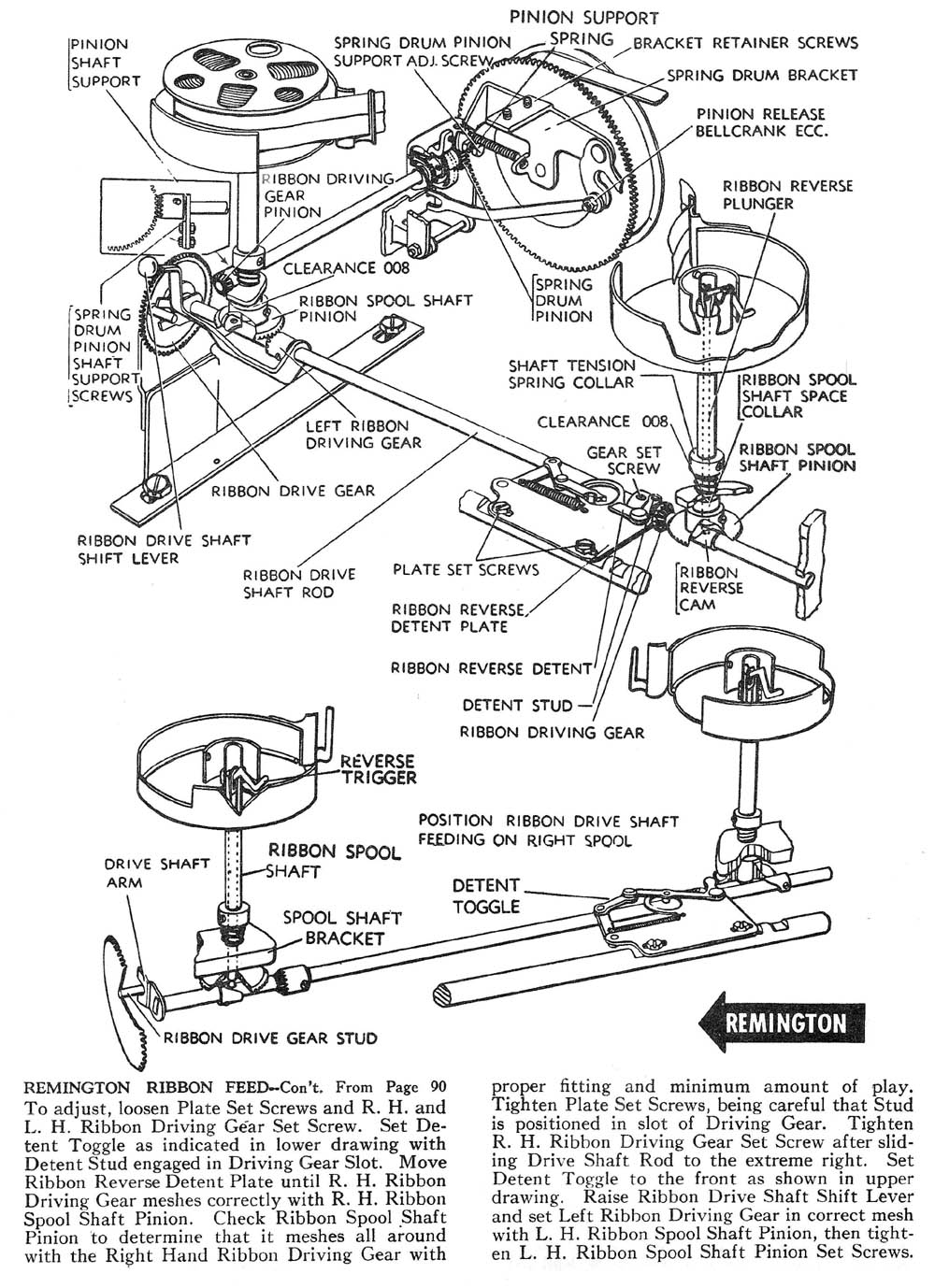
Ribbon Feed

Remington


Royal


Underwood


Woodstock


L.C. Smith

