AMES OAMI Mechanical Training Manual for Standard and Portable Typewriters
By: Clarence Leroy Jones
In 3 Volumes plus Addendum - Published 1945
Volume Two: Portable Typewriters
Underwood Portable Typewriter Repair
Cover Plates

Main Carriage


Mainspring and Drawband

Ring and Cylinder

Motion and Shift Mechanism


Platen

Variable

Paper Feed


Line Space Lever


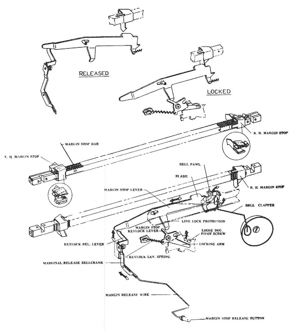
Margin Stops and Line Lock


Rack, Pinion and Starwheel

Universal Bar

Escapement Action


Space Bar


Ribbon Feed


Ribbon Bichrome


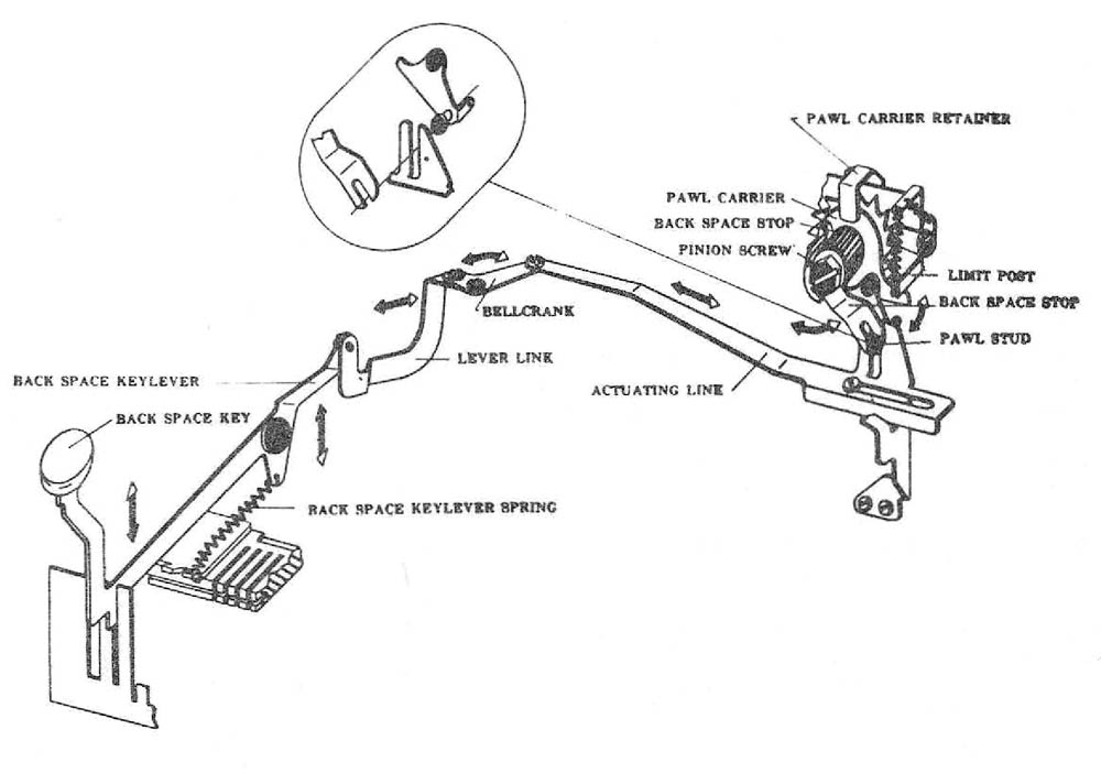
Back Spacer


Typebars

