AMES OAMI Mechanical Training Manual for Standard and Portable Typewriters
By: Clarence Leroy Jones
In 3 Volumes plus Addendum - Published 1945
Volume Three: Noiseless Typewriters
By: Byron L. Wolfe, Illustrations by: R. J. Tiller & Jack Lewis

Dismantling and Rebuilding Sequence








Clean and Adjust Sequence Check Sheet



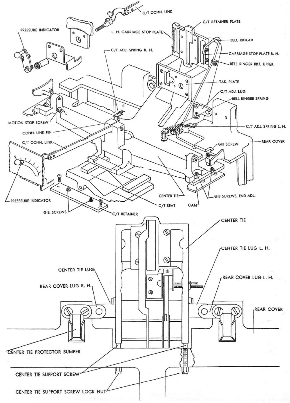
Center Tie


Carriage


Retainer and Roller Bracket (How to Remove the Carriage)


Platen and Variable

Line Space Mechanism

Feed Rolls, Paper Trough and Paper Fingers
Shift Mechanism


.060" Adjustment

"On Feet" Adjustment

Impression Adjustment

Motion Adjustment

The Escapement


Universal Bar Trip Adjustment

Back Space Mechanism

Space Bar Mechanism

Margin Release

Left Hand Margin Adjustment

Tabulator Adjustment


Bell Ringer Adjustment

Line Lock Adjustment


Ribbon Feed


Ribbon Cover

Aligning Scale (Line Finder)

Keylevers and Type Actions


Type Bars


Type Guide


Aligning

