AMES OAMI Mechanical Training Manual for Standard and Portable Typewriters
By: Clarence Leroy Jones
In 3 Volumes plus Addendum - Published 1945
AMES OAMI Mechanical Training Manual for Standard Typewriter Repair
Supplement: Underwood Segment Shift
"On Feet" Platen Paralell

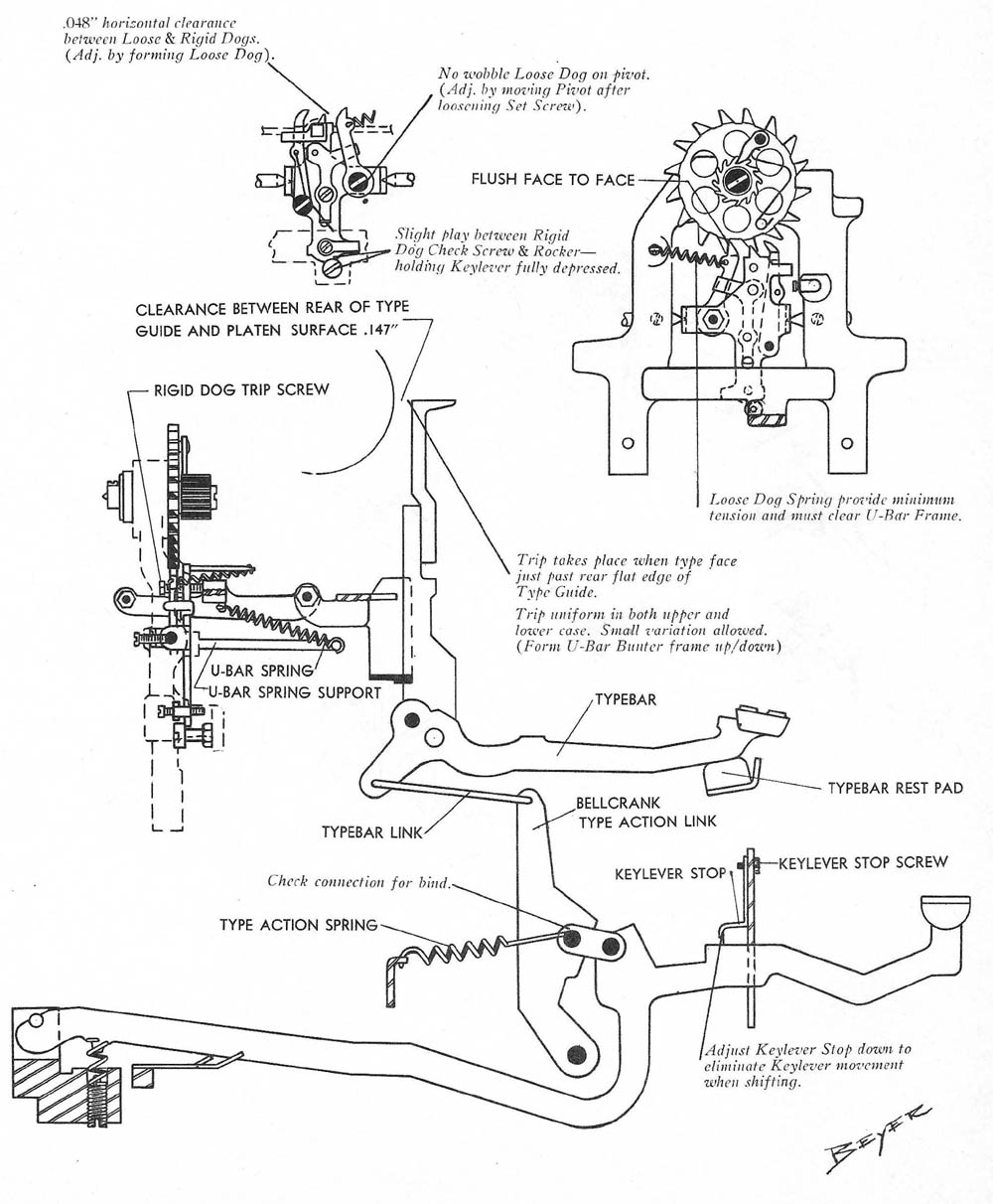
Universal Bar

Escapement Action

Shifting Mechanism

Touch Tuning Ribbon U-Bar

Ribbon Feed Bichrome
