AMES OAMI Mechanical Training Manual for Standard and Portable Typewriters
By: Clarence Leroy Jones
In 3 Volumes plus Addendum - Published 1945
Volume Two: Portable Typewriters
Royal Portable Typewriter Repair
Cover Plates

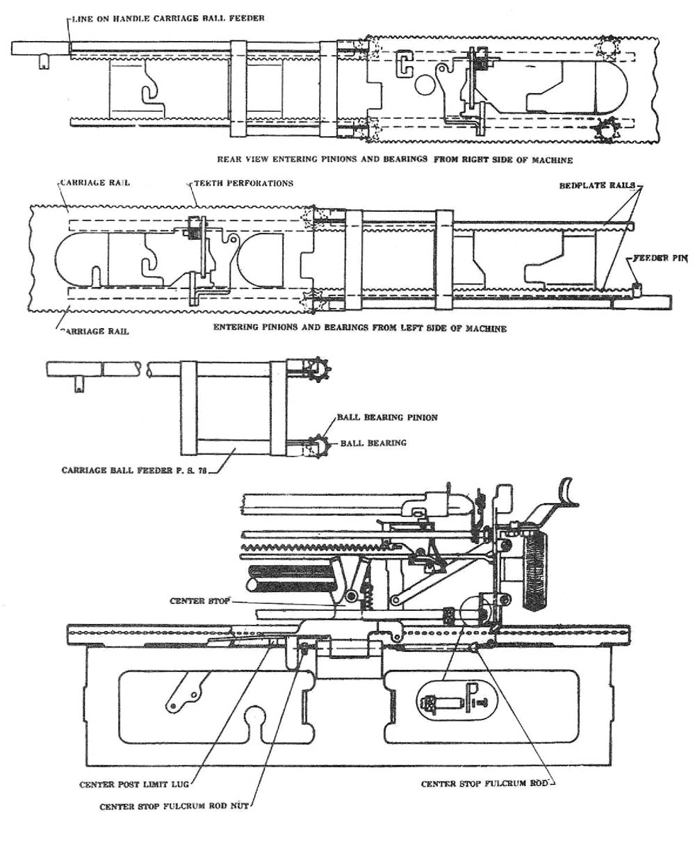
Main Carriage


Mainspring and Drawband

Platen and Variable

Motion and Shift Mechanism

Ring and Cylinder

Paper Feed


Line Space Lever

Rack, Pinion and Starwheel

Margin Stops and Line Lock


Space Bar

Universal Bar

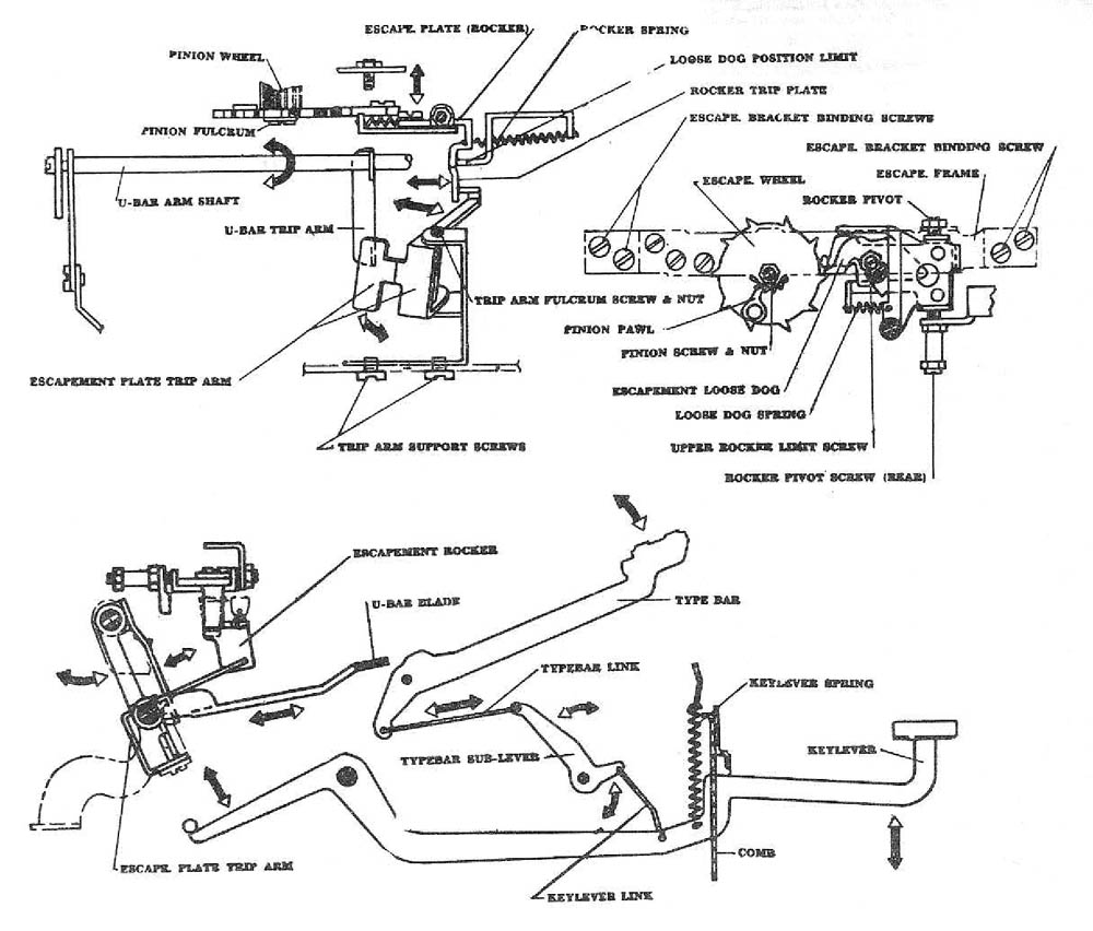
Escapement Action


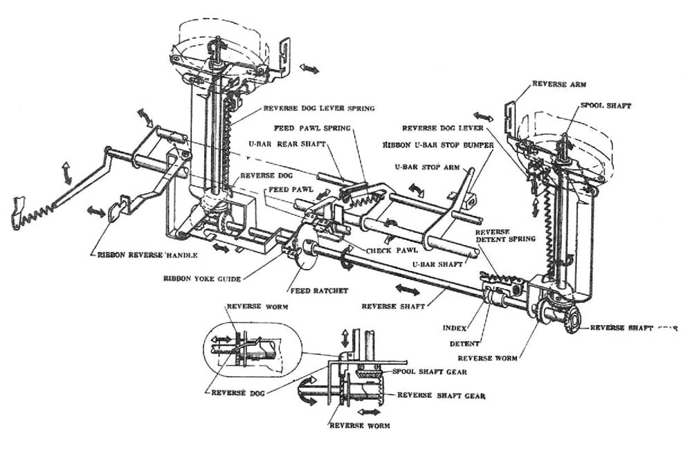
Ribbon Feed


Ribbon Bichrome


Tabulator


Back Spacer


Typebars

